
【摘要】:老舊居民小區火災事故遠高于其他場所,而且易造成人員傷亡,隨著居民生活水平提高,不斷添加各種電氣設備,火災風險逐步加大,智慧用電安全監管平臺能夠準確實時地監測線路中的漏電、電流、溫度等變化,將數據實時傳送至云平臺,從而實現電氣安全數據從現場到云端以及從云端到APP的合理傳輸,實現漏電、電弧、過載、短路、線纜溫度異常等多項電氣安全危害大數據分析,為人民生命財產安全保駕護航。
【關鍵詞】:老舊小區;智慧用電;故障電弧探測器;智慧空開
前言
梳理分析全國近十年來的火災數據發現,各地重大以上火災事故呈逐年下降趨勢,但居住場所亡人火災事故居高不下,僅今年一季度全國就發生居住場所火災8.3萬起,造成503人遇難,居民住宅火災遠高于其他場所,傷亡人數也較多。今年一季度發生的29起較大火災中有21起發生在居住場所。居住場所火災的過火面積并不大,財產損失也相對較小,但易造成人員傷亡,這當中有不少是老舊居民小區。
消防監督員表示,多層老舊居民小區多為八九十年代甚至更早的建筑,建設之初并沒有配備消防設施,而隨著居民生活水平提高,不斷添加各種電氣設備,火災風險逐步加大,但相應的消防設施并沒有同步配備,使得這些多層老舊居民小區長期處于不設防狀態。
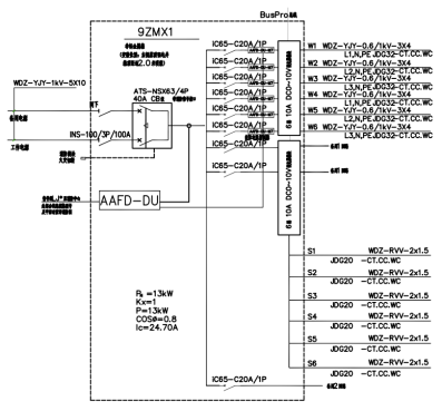
項目介紹
以下是某小區某一層照明配電箱的系統圖,可進行改造降低火災風險。

需求分析
老舊小區用電隱患繁多:
(1)夏季和冬季用電量大,線路負荷過大易引發火災事故。(屋里用大功率電器的話,會自動跳閘。)
(2)部分房頂及墻體漏水、滲水現象嚴重,雨水季節電線漏電、短路、打火風險增加。
(3)線路老化、亂拉亂接現象嚴重,易發生漏電、短路、打火等故障,從而引發火災事故。
(4)因缺乏配套設施,電動車充電不便,會出現很多私自接線充電的情況,充電的接線從高樓垂下,有可能纏繞金屬欄桿、窗框,電瓶車充電不當易引發火災事故。
(5)公共電氣設備長時間運轉,無電工排查、無法實時監管,發生故障后易引發火災。
解決方案
安科瑞智慧用電安全云平臺具有智能化、人性化等優點,通過創新的智能傳感器能準確實時地監測線路中的漏電、電流、溫度等變化,數據實時傳送至云平臺,從而實現電氣安全數據從現場到云端以及從云端到APP的合理傳輸,實現漏漏電、電弧、過載、短路、線纜溫度異常等多項電氣安全危害大數據分析。當線路中漏電、電流、溫溫度發生異常達至預警值,可馬上發出報警信號并準確報出故障點,手機APP自動通知相關人員,促使相關人員及時排查電氣火災隱患的目的。
加裝故障電弧探測器

采用導軌式安裝,利于小區改造。組網靈活,主機加故障電弧兩層結構組網模式,性價比高,采用RS-485網絡,通訊實時性高,小區值班人員可實時查看信息,考慮老舊小區環境復雜,適用多臺主機組網,方便區域化管理。

照明線路故障引起的火災占電氣火災的10%左右,此類建筑的頂部較高,發生火災不容易被發現,也沒法在其上面設置其他探測器,只有設置具有探測故障電弧功能的電氣火災監控探測器,才能保證對照明線路故障引起的火災的合理探測。
下圖為小區照明配電箱內安裝故障電弧探測器的接線示意圖及現場圖,采用總線進行連接,施工布線簡單方便。

加裝智能微型斷路器
ASCB1系列智能微型斷路器由智能微型斷路器與智能網關兩部分組成,可用于對用電線路的關鍵電氣因素,如電壓、電流、功率、溫度、漏電、能耗等進行實時監測,具有遠程操控、預警保護、短路保護、電能計量統計、故障定位等功能,應用于戶內建筑物及類似場所的工業、商業、民用建筑及基礎設施等領域低壓終端配電網絡。


設備層:通過智能微型斷路器監測到每一個細分回路的電壓、電流、功率、電能、溫度和漏電等參量。

傳輸層:智能網關和智能微型斷路器連接,接收智能微型斷路器的數據,再通過網絡上傳數據至云平臺。
應用層:云端進行數據采集、統計、分析,通過電腦和手機接收報警信息,查看用電數據,實現遠程分級控制用電回路的通斷。
智慧用電系統實現了對前端各類用電設備的遠程集中管理化、精細化管理。為各大用電場所提供了完善可靠的遠程集中可測、可監、可控、可視的智能化手段,進一步提升了遠程監控中心的風險預警能力和管理效率。
結束語
《“十四五”國家消防工作規劃》中強調要提高火災智能防控能力。積極融入“智慧城市”、“智慧社區”、應急管理信息化體系、住房和城鄉建設信息化體系,建立互聯共享機制,構建和運用消防安全大數據系統,加強火災風險分析研判、早期識別和監測預警。結合“互聯網+基層治理”行動,推動將消防管理嵌入基層政務服務平臺。鼓勵有條件的鄉鎮(街道)建設消防物聯網智能火災監控平臺,與本地區“智慧消防”系統聯通。加強遠程監控、物聯網監測、電氣監控等信息化手段運用,加速輕型化、集成化、智能化消防監督檢查、火災調查裝備配備,提高火災防控效能。
電氣安全隱患的整治與防控是一個系統性的工程,智慧用電建設通過對樓宇電氣火災監控和預警,結合技術團隊狀態檢修,能夠大幅降低發生電氣火災的風險,降低城市發生火災的概率,減少隱患,減少公共安全事故發生,并利用平臺的輔助決策功能分析電力建設規劃,實現綠色、低碳可持續發展。